Dear Sir,
Good day!
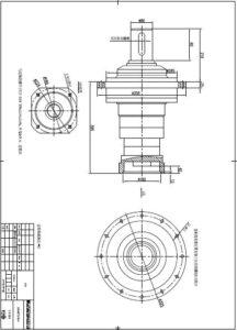
Now we need the A6VM160HD1-63W-VAB020A hyd. motor with gear box, pls check the drawings attached.

If you can supply it, pls contact us.
Many thanks and best regards!
Yours faithfully,
Pauline Zhou
T.F. MARINE ENG. & SPARE PARTS CO., LIMITED
Website:http://www.tf-shipsparepart.com
Email:fuerchuanwu@163.com
Tel:0086-(532)-85021905
MP(GENERAL MANAGER MR. GONG): 0086-13708999676
2023-03-28
A6VM160HD1-63W-VAB020A HYD. MOTOR WITH GEAR BOX